Động cơ Servo DC tích hợp bộ điều khiển 600W Kinco FD134S-06-60S-ABK-DSH
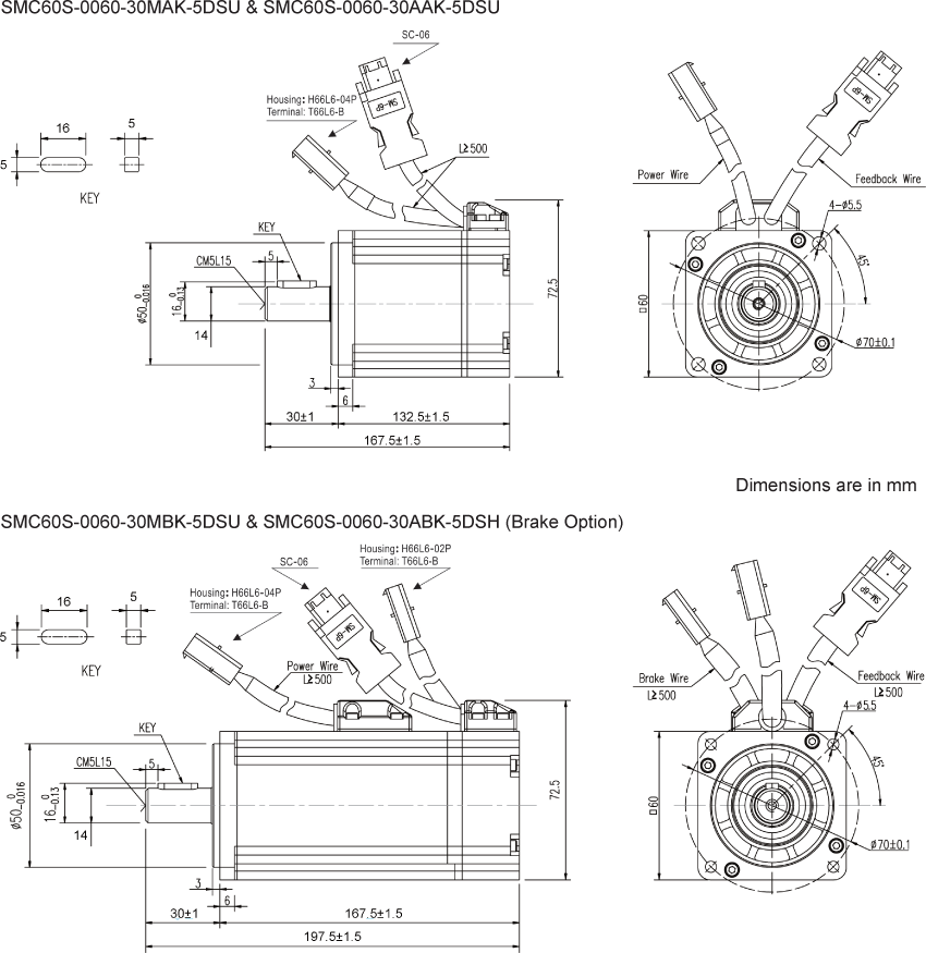
The PKS-FD134S-06 Servo System includes a 600 Watt Servo Motor or Servo Motor with brake, operated by the FD134S-LB-000 Servo Drive. These packages are ideal and provide easy start-ups, convenience, and performance. The Servo Motors included in these packages provide torque up to 5.73 Nm. The FD134S-LB-000 Servo Drive is designed to switch dynamically among different control methods for more flexible operation and can operate position control mode either with pulse and direction inputs, 8 internal position points, or 8 internal speed points. Each system includes a 5m Motor Power Cable, 5m Encoder Cable and a Communication cable. If purchasing the option with a Brake then a 5m Brake Cable will be included as well.
For replacement cables and additional servo system accessories, click here.





