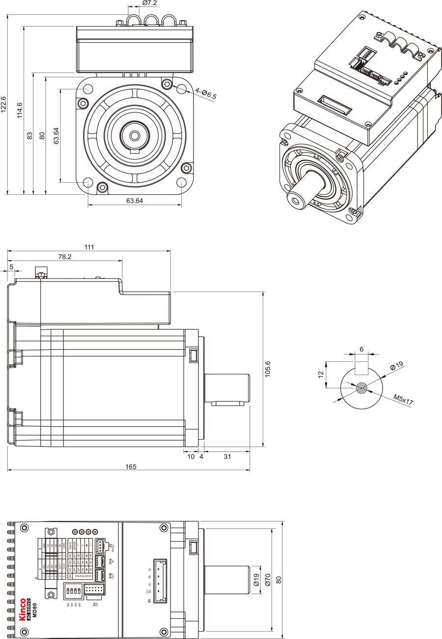
Động cơ Servo DC tích hợp Bộ điều khiển 750W, without brake Kinco MD80-075-DMAK-LA-000
The MD80-075 Integrated Servo System includes a 750 Watt Servo Motor, operated by the Servo Drive. Each system includes a Servo Motor ranging from a size of 80mm square, power rating of 750 Watts, with a Servo Drive attached to the top of the Servo Motor. These packages are ideal and provide easy start-ups, convenience, and performance. The Servo Motors included in these packages provide torque up to 7.17 Nm. The Servo Drive is designed to switch dynamically among different control methods for more flexible operation and can operate position control mode either with pulse and direction inputs, internal position points, or internal speed points.


