Động cơ Servo DC tích hợp bộ điều khiển 1200W Kinco FD144S-12-C13D-ABK-DKR
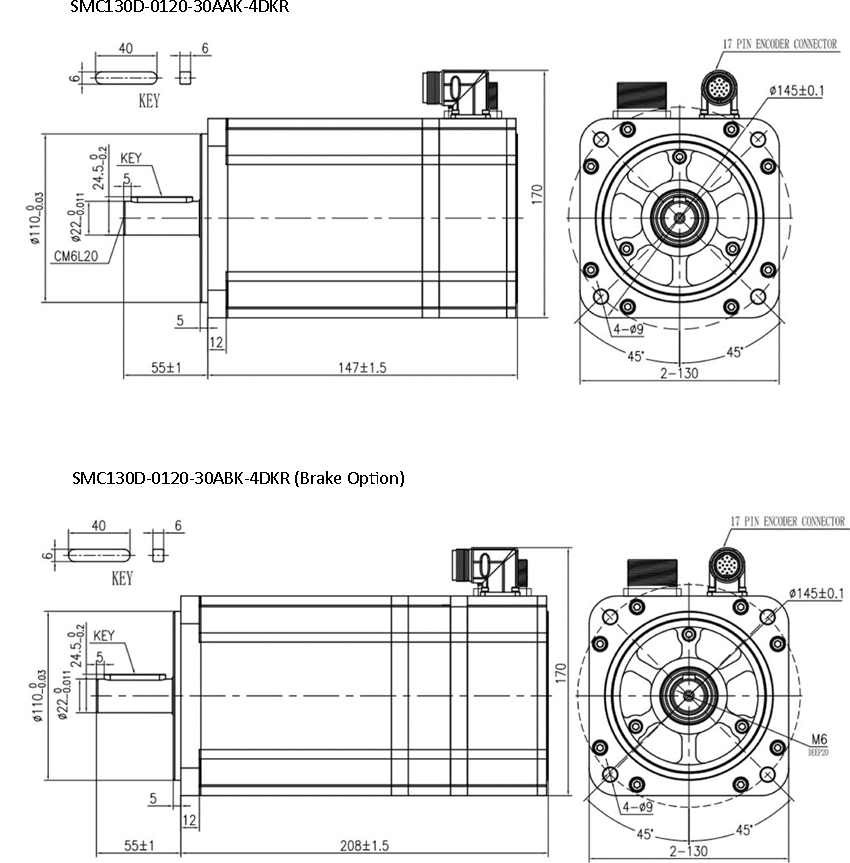
The PKS-FD144S-12 Servo System includes a 1200 Watt SMC130D-0120-30AAK-4DKR Servo Motor or SMC130D-0120-30ABK-4DKR Servo Motor with brake, operated by the FD144S-LB-000 Servo Drive. These packages are ideal and provide easy start-ups, convenience, and performance. The Servo Motors included in these packages provide torque up to 9.5 Nm. The FD144S-LB-000 Servo Drive is designed to switch dynamically among different control methods for more flexible operation and can operate position control mode either with pulse and direction inputs, 8 internal position points, or 8 internal speed points. Each system includes a 5m Motor Power Cable, 5m Encoder Cable and a Communication cable. If purchasing the option with a Brake then a 5m Brake Cable will be included as well.
For replacement cables and additional servo system accessories, click here.





